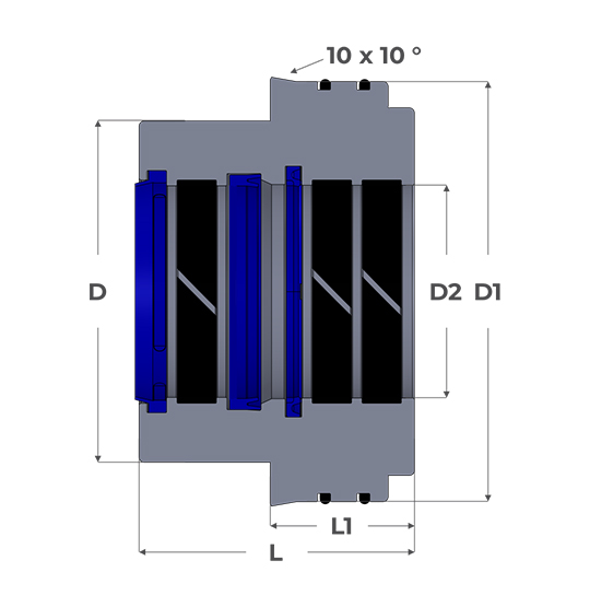
|
ÜRÜN KODU
PRODUCT CODE |
YATAKLAMA
ROD GUIDE RING |
NUTRİNG ROD SEAL |
ÖN BASINÇ RİNGİ
BUFFER SEAL |
TOZ KEÇESİ
WIPER |
ORİNG O-RING |
D mm |
D1 mm |
D2 mm |
L mm |
L1 mm |
ÜRÜN AĞIRLIĞI (kg)
PRODUCT WEIGHT (kg) |
| FMD-ÇRK 140x70 |
70x75x15-3
(K68-070) |
70x80x12
(K33-070 PU) |
70x85,5X6,3
(K29-070 PU) |
70x80x7/5
(K06-070 PU) |
132x4-2
(KO-1320040) |
125 | 140 | 71 | 105 | 55 | 7,379 |
| FMD-ÇRK 140x80 |
80x85x15-3
(K68-080) |
80x90x12
(K33-080 PU) |
80x95,5X6,3
(K29-080 PU) |
80x92x12/7
(K06-080 PU) |
132x4-2
(KO-1320040) |
125 | 140 | 81 | 105 | 55 | 6,226 |
| FMD-ÇRK 140x85 |
85x90x15-3
(K68-085) |
85x95x12
(K33-085 PU) |
85x100,5X6,3
(K29-085 PU) |
85x97x12/7
(K06-085 PU) |
132x4-2
(KO-1320040) |
125 | 140 | 86 | 105 | 55 | 5,727 |
| FMD-ÇRK 140x90 |
90x95x15-3
(K68-090) |
90x100x12
(K33-090 PU) |
90x105,5X6,3
(K29-090 PU) |
90x102x12/7
(K06-090 PU) |
132x4-2
(KO-1320040) |
125 | 140 | 91 | 105 | 55 | 5,142 |
| FMD-ÇRK 140x95 |
95x100x15-3
(K68-095) |
95x105x12
(K33-095 PU) |
95x110,5x6,3
(K29-095 PU) |
95x107x12/7
(K06-095 PU) |
132x4-2
(KO-1320040) |
125 | 140 | 96 | 105 | 55 | 4,489 |
| FMD-ÇRK 140x100 |
100x105x15-3
(K68-100) |
100x115x12
(K33-100 PU) |
100x115,5X6,3
(K29-100 PU) |
100x112x12/7
(K06-100 PU) |
132x4-2
(KO-1320040) |
125 | 140 | 101 | 105 | 55 | 3,796 |
| FMD-ÇRK 140x110 |
115X110X14,8-3
(K69-115/6) |
110x125x12
(K33-110/1 PU) |
110x125,5X6,3
(K29-110 PU) |
110x122x12/7
(K06-110 PU) |
132x4-2
(KO-1320040) |
130 | 140 | 111 | 105 | 55 | 2,759 |
| FMD-ÇRK 150x70 |
70x75x15-3
(K68-070) |
70x80x12
(K33-070 PU) |
70x85,5X6,3
(K29-070 PU) |
70x80x7/5
(K06-070 PU) |
142x4-2
(KO-1420040) |
130 | 150 | 71 | 105 | 55 | 8,646 |
| FMD-ÇRK 150x80 |
80x85x15-3
(K68-080) |
80x90x12
(K33-080 PU) |
80x95,5X6,3
(K29-080 PU) |
80x92x12/7
(K06-080 PU) |
142x4-2
(KO-1420040) |
130 | 150 | 81 | 105 | 55 | 7,565 |
| FMD-ÇRK 150x90 |
90x95x15-3
(K68-090) |
90x100x12
(K33-090 PU) |
90x105,5X6,3
(K29-090 PU) |
90x102x12/7
(K06-090 PU) |
142x4-2
(KO-1420040) |
130 | 150 | 91 | 105 | 55 | 6,361 |
| FMD-ÇRK 150x100 |
100x105x15-3
(K68-100) |
100x115x12
(K33-100 PU) |
100x115,5X6,3
(K29-100 PU) |
100x112x12/7
(K06-100 PU) |
142x4-2
(KO-1420040) |
130 | 150 | 101 | 105 | 55 | 4,973 |
| FMD-ÇRK 150x110 |
115X110X14,8-3
(K69-115/6) |
110x125x12
(K33-110/1 PU) |
110x125,5X6,3
(K29-110 PU) |
110x122x12/7
(K06-110 PU) |
142x4-2
(KO-1420040) |
135 | 150 | 111 | 105 | 55 | 3,931 |
| FMD-ÇRK 160x80 |
80x85x15-3
(K68-080) |
80x90x12
(K33-080 PU) |
80x95,5X6,3
(K29-080 PU) |
80x92x12/7
(K06-080 PU) |
152x4-2
(KO-1520040) |
130 | 160 | 81 | 105 | 55 | 8,658 |
| FMD-ÇRK 160x90 |
90x95x15-3
(K68-090) |
90x100x12
(K33-090 PU) |
90x105,5X6,3
(K29-090 PU) |
90x102x12/7
(K06-090 PU) |
152x4-2
(KO-1520040) |
130 | 160 | 91 | 105 | 55 | 7,474 |
| FMD-ÇRK 160x100 |
100x105x15-3
(K68-100) |
100x115x12
(K33-100 PU) |
100x115,5X6,3
(K29-100 PU) |
100x112x12/7
(K06-100 PU) |
152x4-2
(KO-1520040) |
130 | 160 | 101 | 105 | 55 | 6,062 |
| FMD-ÇRK 160x110 |
115X110X14,8-3
(K69-115/6) |
110x125x12
(K33-110/1 PU) |
110x125,5X6,3
(K29-110 PU) |
110x122x12/7
(K06-110 PU) |
152x4-2
(KO-1520040) |
130 | 160 | 111 | 105 | 55 | 4,629 |
| FMD-ÇRK 170x110 |
115X110X14,8-3
(K69-115/6) |
110x125x12
(K33-110/1 PU) |
110x125,5X6,3
(K29-110 PU) |
110x122x12/7
(K06-110 PU) |
160x4-2
(KO-1600040) |
140 | 170 | 111 | 105 | 55 | 6,554 |
| FMD-ÇRK 180x90 |
90x95x15-3
(K68-090) |
90x100x12
(K33-090 PU) |
90x105,5X6,3
(K29-090 PU) |
90x102x12/7
(K06-090 PU) |
172x4-2
(KO-1720040) |
150 | 180 | 91 | 105 | 55 | 11,383 |
| FMD-ÇRK 180x95 |
95x100x15-3
(K68-095) |
95x105x12
(K33-095 PU) |
95x110,5x6,3
(K29-095 PU) |
95x107x12/7
(K06-095 PU) |
172x4-2
(KO-1720040) |
150 | 180 | 96 | 105 | 55 | 10,825 |
| FMD-ÇRK 180x100 |
100x105x15-3
(K68-100) |
100x115x12
(K33-100 PU) |
100x115,5X6,3
(K29-100 PU) |
100x112x12/7
(K06-100 PU) |
172x4-2
(KO-1720040) |
150 | 180 | 101 | 105 | 55 | 10,003 |
| FMD-ÇRK 180x110 |
115X110X14,8-3
(K69-115/6) |
110x125x12
(K33-110/1 PU) |
110x125,5X6,3
(K29-110 PU) |
110x122x12/7
(K06-110 PU) |
172x4-2
(KO-1720040) |
150 | 180 | 111 | 105 | 55 | 8,552 |
| FMD-ÇRK 180x120 |
120x125x15-3
(K68-120) |
120x135x15
(K33-120/1 PU) |
120x135,5X6,3
(K29-120 PU) |
120x132x12/7
(K06-120 PU) |
172x4-2
(KO-1720040) |
150 | 180 | 121 | 105 | 55 | 6,923 |
| FMD-ÇRK 190x130 |
130x135x15-3
(K68-130) |
130x150x15
(K33-130/2 PU) |
130x145,5X6,3
(K29-130 PU) |
130x142x12/7
(K06-130/1 PU) |
182x4-2
(KO-1820040) |
160 | 190 | 131 | 105 | 55 | 7,319 |
| FMD-ÇRK 200x90 |
90x95x15-3
(K68-090) |
90x100x12
(K33-090 PU) |
90x105,5X6,3
(K29-090 PU) |
90x102x12/7
(K06-090 PU) |
192x4-2
(KO-1920040) |
160 | 200 | 91 | 105 | 55 | 14,857 |
| FMD-ÇRK 200x100 |
100x105x15-3
(K68-100) |
100x115x12
(K33-100 PU) |
100x115,5X6,3
(K29-100 PU) |
100x112x12/7
(K06-100 PU) |
192x4-2
(KO-1920040) |
160 | 200 | 101 | 105 | 55 | 13,48 |
| FMD-ÇRK 200x110 |
115X110X14,8-3
(K69-115/6) |
110x125x12
(K33-110/1 PU) |
110x125,5X6,3
(K29-110 PU) |
110x122x12/7
(K06-110 PU) |
192x4-2
(KO-1920040) |
160 | 200 | 111 | 105 | 55 | 12,059 |
| FMD-ÇRK 200x120 |
120x125x15-3
(K68-120) |
120x135x15
(K33-120/1 PU) |
120x135,5X6,3
(K29-120 PU) |
120x132x12/7
(K06-120 PU) |
192x4-2
(KO-1920040) |
160 | 200 | 121 | 105 | 55 | 10,377 |
| FMD-ÇRK 200x130 |
130x135x15-3
(K68-130) |
130x150x15
(K33-130/2 PU) |
130x145,5X6,3
(K29-130 PU) |
130x142x12/7
(K06-130/1 PU) |
192x4-2
(KO-1920040) |
160 | 200 | 131 | 105 | 55 | 8,571 |
| FMD-ÇRK 200x140 |
140x145x15-3
(K68-140) |
140x160x15
(K33-140 PU) |
140x155,5X6,3
(K29-140 PU) |
140x152x12/7
(K06-140/6 PU) |
192x4-2
(KO-1920040) |
170 | 200 | 141 | 105 | 55 | 7,784 |
| FMD-ÇRK 220x100 |
100x105x15-3
(K68-100) |
100x115x12
(K33-100 PU) |
100x115,5X6,3
(K29-100 PU) |
100x112x12/7
(K06-100 PU) |
210x4-2
(KO-2100040) |
180 | 220 | 101 | 105 | 55 | 18,421 |
| FMD-ÇRK 220x110 |
115X110X14,8-3
(K69-115/6) |
110X125X12
(K33-110/1 PU) |
110x125,5X6,3
(K29-110 PU) |
110x122x12/7
(K06-110 PU) |
210x4-2
(KO-2100040) |
180 | 220 | 111 | 105 | 55 | 16,875 |
| FMD-ÇRK 220x120 |
120x125x15-3
(K68-120) |
120x135x15
(K33-120/1 PU) |
120x135,5X6,3
(K29-120 PU) |
120x132x12/7
(K06-120 PU) |
210x4-2
(KO-2100040) |
180 | 220 | 121 | 105 | 55 | 15,284 |
| FMD-ÇRK 220x125 |
125x130x15-3
(K68-125/1) |
125x145x15
(K33-125/1 PU) |
125x140,5x6,3
(K29-125 PU) |
125x137x12/7
(K06-125/2) |
210x4-2
(KO-2100040) |
180 | 220 | 126 | 105 | 55 | 14,354 |
| FMD-ÇRK 230x110 |
115X110X14,8-3
(K69-115/6) |
110x125x12
(K33-110/1 PU) |
110x125,5X6,3
(K29-110 PU) |
110x122x12/7
(K06-110 PU) |
220x4-2
(KO-2200040) |
190 | 230 | 111 | 105 | 55 | 19,616 |
| FMD-ÇRK 230x120 |
120x125x15-3
(K68-120) |
120x135x15
(K33-120/1 PU) |
120x135,5X6,3
(K29-120 PU) |
120x132x12/7
(K06-120 PU) |
220x4-2
(KO-2200040) |
190 | 230 | 121 | 105 | 55 | 17,819 |
| FMD-ÇRK 230x130 |
130x135x15-3
(K68-130) |
130x150x15
(K33-130/2 PU) |
130x145,5X6,3
(K29-130 PU) |
130x142x12/7
(K06-130/1 PU) |
220x4-2
(KO-2200040) |
190 | 230 | 131 | 105 | 55 | 16,022 |
| FMD-ÇRK 230x140 |
140x145x15-3
(K68-140) |
140x160x15
(K33-140 PU) |
140x155,5X6,3
(K29-140 PU) |
140x152x12/7
(K06-140/6 PU) |
220x4-2
(KO-2200040) |
190 | 230 | 141 | 105 | 55 | 14,224 |
| FMD-ÇRK 250x110 |
115X110X14,8-3
(K69-115/6) |
110x125x12
(K33-110/1 PU) |
110x125,5X6,3
(K29-110 PU) |
110x122x12/7
(K06-110 PU) |
240x4-2
(KO-2400040) |
200 | 250 | 111 | 105 | 55 | 24,012 |
| FMD-ÇRK 250x120 |
120x125x15-3
(K68-120) |
120X135X15
(K33-120/1 PU) |
120x135,5X6,3
(K29-120 PU) |
120x132x12/7
(K06-120 PU) |
240x4-2
(KO-2400040) |
200 | 250 | 121 | 105 | 55 | 22,375 |
| FMD-ÇRK 250x130 |
130x135x15-3
(K68-130) |
130x150x15
(K33-130/2 PU) |
130x145,5X6,3
(K29-130 PU) |
130x142x12/7
(K06-130/1 PU) |
240x4-2
(KO-2400040) |
200 | 250 | 131 | 105 | 55 | 20,456 |
| FMD-ÇRK 250x140 |
140x145x15-3
(K68-140) |
140x160x15
(K33-140 PU) |
140x155,5X6,3
(K29-140 PU) |
140x152x12/7
(K06-140/6 PU) |
240x4-2
(KO-2400040) |
200 | 250 | 141 | 105 | 55 | 18,681 |
| FMD-ÇRK 250x150 |
150x155x15-3
(K68-150) |
150X170X15
(K33-150/3 PU) |
YOK
(UNAVAILABLE) |
150x162x12/7
(K06-150/2 PU) |
240x4-2
(KO-2400040) |
200 | 250 | 151 | 105 | 55 | 16,886 |
| FMD-ÇRK 250x160 |
160x165x15-3
(K68-160) |
160x180x15
(K33-160/3 PU) |
YOK
(UNAVAILABLE) |
160x172x12/7
(K06-160/1 PU) |
240x4-2
(KO-2400040) |
200 | 250 | 161 | 105 | 55 | 14,67 |
| FMD-ÇRK 260x160 |
160x165x15-3
(K68-160) |
160x180x15
(K33-160/3 PU) |
YOK
(UNAVAILABLE) |
160x172x12/7
(K06-160/1 PU) |
250x4-2
(KO-2500040) |
210 | 260 | 161 | 105 | 55 | 17,734 |
| FMD-ÇRK 270x140 |
140x145x15-3
(K68-140) |
140x160x15
(K33-140 PU) |
140x155,5X6,3
(K29-140 PU) |
140x152x12/7
(K06-140/6 PU) |
260x4-2
(KO-2600040) |
225 | 270 | 141 | 105 | 55 | 25,421 |